8 (800) 222-59-57
8 (800) 222-59-57

Модульные АГЗС

Модульные автомобильные газозаправочные станции - революция в обеспечении газом

В современном мире, где эффективность и гибкость играют ключевую роль, модульные автогазозаправочные станции (АГЗС) становятся настоящим прорывом в сфере обеспечения транспортных средств сжиженным углеводородным газом (СУГ). Это не просто очередная технология, а продуманное решение, которое открывает новые горизонты для бизнеса и потребителей.

Что такое модульная АГЗС?

Представьте себе АГЗС, которая не требует масштабного строительства и длительных подготовительных работ. Модульная АГЗС – это именно такое решение. Она представляет собой комплекс оборудования, собранный в заводских условиях в виде отдельных блоков или модулей. Эти модули легко транспортируются и быстро монтируются на месте, что значительно сокращает время и затраты на ввод станции в эксплуатацию.

Ключевые преимущества модульных АГЗС:

  • Скорость и простота установки: Это, пожалуй, главное преимущество. Вместо месяцев строительства, модульная АГЗС может быть установлена всего за несколько дней или недель. Это особенно важно для бизнеса, который стремится быстро начать получать прибыль.
  • Гибкость и мобильность: Если вам нужно переместить станцию или расширить ее мощности, модульная конструкция позволяет сделать это без особых усилий. Вы можете легко добавить новые модули или перевезти существующие на новое место.
  • Экономическая эффективность: Сокращение сроков строительства, меньшие затраты на рабочую силу и материалы делают модульные АГЗС более выгодным решением по сравнению с традиционными стационарными станциями.
  • Безопасность и надежность: Модули производятся в заводских условиях с соблюдением строгих стандартов качества и безопасности. Это гарантирует надежную работу оборудования и минимизирует риски.
  • Экологичность: Современные модульные АГЗС оснащены передовыми системами контроля и безопасности, которые минимизируют выбросы и предотвращают утечки газа, способствуя более чистому использованию топлива.
  • Компактность: Модульные решения часто занимают меньше места, что делает их идеальным выбором для установки в условиях ограниченного пространства, например, на территории существующих АЗС или промышленных объектов.
  • Широкий спектр применения: Модульные АГЗС подходят для различных целей: от заправки частного автотранспорта до обеспечения газом промышленных предприятий, сельскохозяйственной техники и даже для использования в качестве резервного источника энергии.

Для кого модульная АГЗС – идеальное решение?

  • Предприниматели, желающие быстро запустить новый бизнес: Модульная АГЗС позволяет минимизировать стартовые затраты и начать получать доход в кратчайшие сроки.
  • Существующие АЗС, стремящиеся расширить спектр услуг: Добавление модульной АГЗС – это простой и эффективный способ привлечь больше клиентов, предлагая альтернативное топливо.
  • Промышленные предприятия и логистические компании: Обеспечение собственного автопарка или складских комплексов газом становится проще и выгоднее.
  • Сельскохозяйственные предприятия: Модульная АГЗС может обеспечить топливом технику, используемую в полевых работах.
  • Регионы с развивающейся инфраструктурой: Модульные решения позволяют быстро создавать необходимую газовую инфраструктуру там, где традиционное строительство затруднено.

Будущее за модульными решениями

Модульные АГЗС – это не просто тренд, а закономерное развитие отрасли. Они предлагают умный, гибкий и экономически выгодный подход к обеспечению потребителей сжиженным газом. Если вы ищете современное и эффективное решение для своего бизнеса или проекта, обратите внимание на модульные АГЗС – это инвестиция в будущее, которая окупится сторицей.

Модульные АГЗС от ЦНТ Реал-Инвест

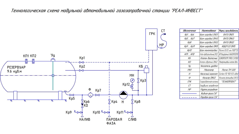
Мы производим модульное оборудование для АЗГС под ключ, позволяющее в короткие сроки осуществить монтаж и запустить бизнес в работу. На единой стальной раме установлено следующее оборудование:

  • наземный резервуар СУГ с запорно-предохранительной арматурой;
  • газораздаточная колонка;
  • система технологических трубопроводов;
  • сбросная свеча;
  • силовой шкаф;
  • щит управления и автоматизации.

Модульная конструкция обеспечивает лёгкость погрузочно-разгрузочных работ, транспортировки станции до установочной площадки, сжатые сроки ввода станции в эксплуатацию, возможность перемещения станции на другую площадку при необходимости. Дополнительно можно дооснастить оборудование телеметрией для удаленной передачи данных.

Готовый модуль АГЗС перевозится стандартной еврофурой.

Скачать презентацию

Скачать опросный лист

Написать нам Позвонить


    Заполните анкету, и мы свяжемся с вами в ближайшее время